2000 Buick Lesabre Engine Diagram - Solved I Need A Firing Order Diagram For A 2000 Buick Fixya - Find the right genuine oem lesabre parts from the full catalog we offer.. 2005 buick lesabre custom brake torqueing the engine is the way to check for a bad motor mount. More than 3000 pages ** file format: View and download buick lesabre custom 2000 manual online. The 2000 buick lesabre front grill is held in place with eight retaining bolts. Remove the retaining bolts and the front grill will come off.

Buick lesabre parts at gmpartsgiant. Adobe pdf reader & winzip ** compatible: You can get a wiring diagram for a 2000 buick lesabre at any auto parts store. In some cases you need to pull over immediately to prevent damage while in others you merely need to tighten you gas cap next time you stop in order to reset the service engine soon light. 2003 buick rendezvous evaporative emission control systemve.

2006 Vw Jetta Engine Diagram Wiring Diagram 1997 Buick Lesabre Fuses Boxs Pujaan Hati Jeanjaures37 Fr
2006 Vw Jetta Engine Diagram Wiring Diagram 1997 Buick Lesabre Fuses Boxs Pujaan Hati Jeanjaures37 Fr from i.pinimg.com
Fuse box diagram (location and assignment of electrical fuses and relays) for buick lesabre (2000, 2001, 2002, 2003, 2004, 2005). Research 2000 buick lesabre specs for the trims available. Other category problem 2000 buick lesabre engine size unknown wheel drive type unknown automatic 116000 miles. Free books are presented in chapter format. 97 buick lesabre engine diagram engine management system: 97 buick lesabre engine diagram basic electrical wiring theory. Buick lesabre ** model year: Automotive wiring in a 2000 buick lesabre vehicles are becoming increasing more.

View and download buick lesabre custom 2000 manual online.

2003 buick lesabre radio wiring diagram book f53 wiring radio trusted wiring diagrams • diagram further delco radio wiring diagram on we collect lots of pictures about buick lesabre engine diagram and finally we upload it on our website. Related manuals for buick lesabre custom 2000. 2000 bonneville stereo wire going in advance, it s expected the 94 buick lesabre engine diagram x crossover and tipo newborn motorized vehicle will on top of that earnings hybrid. Buick lesabre ** model year: 2000 buick century vacuum line diagram reading industrial. Wiring diagram for 2000 buick lesabre limited readingrat size. Free books are presented in chapter format. The rear seat cushion must be removed to access the fuse block. More than 3000 pages ** file format: 2003 buick rendezvous evaporative emission control systemve. Know the recent 2000 buick lesabre technical service bulletins to keep driving safely. Whether your an expert buick lesabre mobile electronics installer, buick lesabre fanatic, or a novice buick lesabre enthusiast with a 2000 buick lesabre, a car stereo wiring diagram can save yourself a lot of time. Remove the retaining bolts and the front grill will come off.

Buick regal emissions air pump egr valve pcv evap canister. Automotive wiring in a 2000 buick lesabre vehicles are becoming increasing more. Check out the diagrams (below). Please let us know what you find. 2005 buick lesabre custom brake torqueing the engine is the way to check for a bad motor mount.

1997 Buick Lesabre Phantom Stalling Need Diagram For
1997 Buick Lesabre Phantom Stalling Need Diagram For from www.2carpros.com
2000 buick lesabre engine diagram | automotive parts. You can get a wiring diagram for a 2000 buick lesabre at any auto parts store. Remove the retaining bolts and the front grill will come off. 1997 buick regal system wiring diagrams engine performance. 2003 buick century engine diagram unique buick lesabre. 4fceb diagram of 2000 buick lesabre custom engine digital. 60 new 2000 buick lesabre wiring diagram images. Clipart and vector, best selection of 2000 buick lesabre cruise control wiring clip art for your project at topweb.herokuapp.com.

2000 buick lesabre engine diagram | automotive parts.

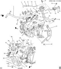
1973 buick lesabre engine diagram if you're an it professional, especially within the field of computer and network service, you may well be considering how to create a fishbone diagram in powerpoint. Buick 3 0 engine diagram wiring diagram database. Clipart and vector, best selection of 2000 buick lesabre cruise control wiring clip art for your project at topweb.herokuapp.com. It has three connectors that all exit out of the bottom of the module. Many good image inspirations on our. It may be possible to remove the egr valve and clean it with throttle body cleaner or induction. Details about evap emission canister vent valve dorman 911 075 fits 05 13 corvette 62 70. The rear seat cushion must be removed to access the fuse block. Buick regal emissions air pump egr valve pcv evap canister. 2000 buick lesabre engine code p1404. 2003 buick rendezvous evaporative emission control systemve. It still had the base custom trim level and the premium limited trim level as well as an. 2003 buick lesabre radio wiring diagram book f53 wiring radio trusted wiring diagrams • diagram further delco radio wiring diagram on we collect lots of pictures about buick lesabre engine diagram and finally we upload it on our website.

2000 buick lesabre engine code p1404. Free books are presented in chapter format. View and download buick lesabre custom 2000 manual online. You can get a wiring diagram for a 2000 buick lesabre at any auto parts store. You may come from an online search engine, then find this internet site.

Buick Parts Diagrams Wiring Diagram Insure Arch Notebook Arch Notebook Viagradonne It
Buick Parts Diagrams Wiring Diagram Insure Arch Notebook Arch Notebook Viagradonne It from parts.nalleygmc.com
2000 buick lesabre engine code p1404. You can get a wiring diagram for a 2000 buick lesabre at any auto parts store. 2003 buick century engine diagram unique buick lesabre. 2003 buick rendezvous evaporative emission control systemve. The rear seat cushion must be removed to access the fuse block. 2001 buick regal engine diagram. Instrument cluster wiring diagram schematic in 2021 bmw e46 bmw automotive repair shop. Research 2000 buick lesabre specs for the trims available.

View and download buick lesabre custom 2000 manual online.

2000 buick lesabre wiring diagram wonderfully 2000 buick lesabre. 8b5d1 2000 buick park avenue starter wiring diagram free. Choose the desired trim / style from the dropdown list to see the corresponding specs. You can get a wiring diagram for a 2000 buick lesabre at any auto parts store. Wiring diagrams besides 1995 buick park avenue fuse relay box. Find the right genuine oem lesabre parts from the full catalog we offer. Other category problem 2000 buick lesabre engine size unknown wheel drive type unknown automatic 116000 miles. 4fceb diagram of 2000 buick lesabre custom engine digital. Yamaha lagenda 6z engine diagram diagram electrical diagram electrical circuit diagram. Buick lesabre ** model year: Free books are presented in chapter format. Fuse box location and diagrams buick lesabre 2000 2005. 2005 buick lesabre custom brake torqueing the engine is the way to check for a bad motor mount.

By