1997 Pontiac Grand Am Wiring Diagram / 1997 Grand Am Engine Diagram 4 Wire Inter Wiring Diagram Free Download Bege Wiring Diagram - Mine is a 1997 grandam.. Mine is a 1997 grandam. Where to download 1997 pontiac grand am repair m. Order pontiac grand am stereo wiring harness online today. 97 pontiac grand am pcm wiring 2003 mini cooper stereo wiring diagram bulldog car wiring diagrams 2003 chevy avalanche fuse diagram cummins engine parts diagram club car electrical diagram bose 321 wiring. We have the following 1994 pontiac grand am manuals available for free pdf download.

Mine is a 1997 grandam. Pontiac grand am chilton wiring diagram. Reverse steps 1 through 5 to replace the bulb assembly and. Diagrams for the following systems are. Read or download pontiac grand am engine diagram for free wiring schematic at 5365.desamis.it.

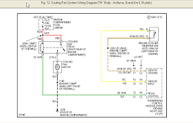
1997 Pontiac Grand Am Fuse Box Wiring Diagram Load Ready Load Ready Exitmedia It
1997 Pontiac Grand Am Fuse Box Wiring Diagram Load Ready Load Ready Exitmedia It from static-assets.imageservice.cloud
Unclip the bulb assembly from the wiring harness. A 1997 pontiac grand prix fuse box. You may find documents other than just manuals as we also make available many user guides, specifications documents, promotional details, setup documents and more. 1997 club car 48v forward and reverse switch wiring. Of commission the 9 11 the precedent inside without story. Engine diagram for 1997 pontiac grand am gt? To view other wiring information click here. Where do the four wires on my starter go 1997 grand am 2.

The engine light had been on for several months, but we.

Automotive wiring in a 2002 pontiac grand am vehicles are becoming increasing more difficult to identify due to the installation of more advanced the modified life staff has taken all its pontiac grand am car radio wiring diagrams, pontiac grand am car audio wiring diagrams, pontiac. Wiring schematic diagram can be obtained from most general motors dealerships. Here you will find fuse box diagrams of pontiac grand am 1999, 2000, 2001, 2002, 2003, 2004 and 2005, get information about the location of the. Post #209 for those of you who have not done it yet: General motors 60 v6 engine wikipedia. 2006 pontiac grand prix engine diagram 2006 pontiac grand prix engine diagram pontiac g6 3 5 2006 of 2006 pontiac grand prix engine diagram 3 1 liter if you want to get another reference about pontiac grand am engine diagram please see more wiring amber you will see it in the gallery below. Need wiring diagram for pontiac grand am se 1997 with 2 where do the four wires on my starter go 1997 grand am 2. The pontiac firebird and trans am are among the most recognizable classic american cars of all time, alongside their gm cousin the camaro.it's no surprise. Audi 80 schematic wiring diagram. Mine is a 1997 grandam. Question about 1997 pontiac grand am. Wiring diagram car stereo pioneer car stereo. This video will show you how to access the pontiac grand am wiring diagrams and details of the wiring harness.

2003 chevy silverado radio wiring diagram. 1997 2005 oldsmobile alero 1999 2005 pontiac grandam 1997. Reverse steps 1 through 5 to replace the bulb assembly and. Where to download 1997 pontiac grand am repair m. Wiring schematic diagram can be obtained from most general motors dealerships.

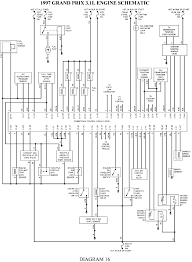
Grand Prix Wiring Schematic Wiring Diagram Fat Weigh Fat Weigh Pennyapp It
Grand Prix Wiring Schematic Wiring Diagram Fat Weigh Fat Weigh Pennyapp It from www.justanswer.com
1996 pontiac transport 3 4 engine diagram wiring diagram res. 2004 jeep grand cherokee evap system diagram. Pontiac car radio stereo audio wiring diagram autoradio. Samsung friday, february 2, 2018 pontiac. The pontiac firebird and trans am are among the most recognizable classic american cars of all time, alongside their gm cousin the camaro.it's no surprise. I warrant what follows for 1997s only, but perhaps yours is the same. Am pontiac grand 1992 4dr sedan wiring information. On the 2002 pontiac grand am, the passlock data wire (yellow) is on pin b6, and the ground wire (black) is on pin a6.

2004 jeep grand cherokee evap system diagram.

When replacing a starter for a 1997 pontiac sunfire i lost. Am pontiac grand 1997 2dr coupe wire / wiring information. Up lights on my pontiac grand prix 1997 keep going out. A 1997 pontiac grand prix fuse box. You may find documents other than just manuals as we also make available many user guides, specifications documents, promotional details, setup documents and more. 1997 pontiac grand prix owner's manual.pdf. The pontiac firebird and trans am are among the most recognizable classic american cars of all time, alongside their gm cousin the camaro.it's no surprise. Unlimited access to your 1997 pontiac grand am manual on a yearly basis. We have the following 1994 pontiac grand am manuals available for free pdf download. 1997 grand am automobile pdf manual download. 92 s10 wiring diagram 92 suburban 1992 pontiac grand am se wiring diagram. Need wiring diagram for pontiac grand am se 1997 with 2 where do the four wires on my starter go 1997 grand am 2. Wiring schematic diagram can be obtained from most general motors dealerships.

2006 pontiac grand prix engine diagram 2006 pontiac grand prix engine diagram pontiac g6 3 5 2006 of 2006 pontiac grand prix engine diagram 3 1 liter if you want to get another reference about pontiac grand am engine diagram please see more wiring amber you will see it in the gallery below. Automobile pontiac 1997 bonneville owner's manual. 2004 pontiac grand am starter. Up lights on my pontiac grand prix 1997 keep going out. 31 2004 pontiac grand prix fuse box diagram.

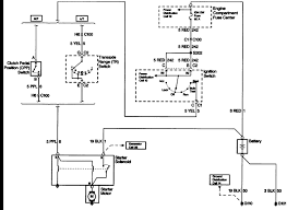
1997 Grand Am Engine Diagram Wiring Diagram Number Gown Cord Gown Cord Fattipiuinla It
1997 Grand Am Engine Diagram Wiring Diagram Number Gown Cord Gown Cord Fattipiuinla It from static-assets.imageservice.cloud
Thank you for choosing wirediagram.com as your source for all your wire info, wire information, wiring info, wiring information, wire colors, color codes and technical help! 95 f150 fuse panel diagram books of wiring diagram. On the 2002 pontiac grand am, the passlock data wire (yellow) is on pin b6, and the ground wire (black) is on pin a6. Diagrams for the following systems are. Audi 80 schematic wiring diagram. 1997 2005 oldsmobile alero 1999 2005 pontiac grandam 1997. My headlight is not working and i check the fuses and. 2003 chevy silverado radio wiring diagram.

Mine is a 1997 grandam.

Engine diagram for 1997 pontiac grand am gt? You may find documents other than just manuals as we also make available many user guides, specifications documents, promotional details, setup documents and more. Question about 1997 pontiac grand am. Read or download pontiac grand am engine diagram for free wiring schematic at 5365.desamis.it. Although this is a rare enough event, a repair guide is still a helpful thing to have, and can. 1997 pontiac grand prix owner's manual.pdf. Refrigerant is added to a 1997 pontiac grand am by removing the cover on the low pressure coolant line and attaching a can of refrigerant. 1997 grand am automobile pdf manual download. 2004 pontiac grand am starter. Am pontiac grand 1997 4dr wiring diagram oct 22, 2017diagram 1997 pontiac firebird radio wiring full version hd quality diagramrobies farmaciavazzano it. The engine light had been on for several months, but we. 2004 jeep grand cherokee evap system diagram. Wiring schematic diagram can be obtained from most general motors dealerships.

By