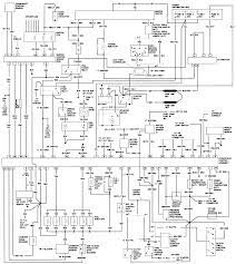
1993 Ford Explorer Radio Wiring Diagram / 93 Explorer Radio Wiring Diagram Wiring Diagram Filter Way Diagram Way Diagram Cosmoristrutturazioni It - Changes were otherwise few and minor:. Free ford wiring diagrams for 2008. Low prices on radio wiring harness for your ford explorer at advance auto parts. You'll find part two in the next page. Below is a break down of common wire colors as well as links to wiring diagrams. Shop online, find the best price on the right product, and have it shipped right to your door.

Free ford wiring diagrams for 2008. A set of wiring diagrams may be required by the electrical inspection authority to implement relationship of the habitat to the public electrical supply system. 1994 f150 radio wiring diagram 1994 ford f150 stereo wiring diagram 1994 ford f150 radio wiring diagram 94 ford f150 stereo wiring diagram 1994 ford f150 radio wiring harness diagram freebootstrapthemes.co. The radio is a i need the wiring diagram for a 1996 ford explorer radio wiring harness speaker wiring color codes… read more. Service manual for 1993 ford explorer, 1993 1 day ago.

1993 Ford Explorer Stereo Wiring Diagram Wiring Diagram Time Inside Time Inside Katep It
1993 Ford Explorer Stereo Wiring Diagram Wiring Diagram Time Inside Time Inside Katep It from lh3.googleusercontent.com
Radio wiring, engine wiring, ac wiring, abs wiring, transmission wiring, power windows wiring, sunroof wiring, computer datalines, cruise control wiring, instrument cluster fuse box location and diagrams: Ranger radio battery constant 12v+ wire: Vehicle wiring details for a 2000 ford explorer. Yellow/black on the 1996 ford explorer there is a factory installed amp in the left rear quarter panel in which you have to bypass to get any sound from the speakers. 2004 ford explorer stereo wiring diagram | free wiring diagram. The ignition system, on these particular vehicles, is a waste spark system. Find the ford radio wiring diagram you need to install your car stereo and save time. Green/yellow ranger radio accessory switched 12v+ our ranger stereo wiring guide can also assist you if you've had your ford ranger radio stolen.

If you prefer to shop in person for the right radio wiring harness products for your explorer, visit one of our local advance.

Audio wiring color codes 1994 ford explorer xlt. Low prices on radio wiring harness for your ford explorer at advance auto parts. Find the ford radio wiring diagram you need to install your car stereo and save time. Plymouth prowler wiring diagrams dodge avenger wiring diagrams 1995 ford explorer wiring diagrams bmw 1 series wiring diagrams 1995 buick riviera. An important active safety feature was added to the explorer: 1994 f150 radio wiring diagram 1994 ford f150 stereo wiring diagram 1994 ford f150 radio wiring diagram 94 ford f150 stereo wiring diagram 1994 ford f150 radio wiring harness diagram freebootstrapthemes.co. Pdf file is about service for 1993 ford explorer is available in several types of edition. The big problem i am having is that the av constant power does not stay on. Need wiring diagram.factory.wire goes.cd player install. Diagrams for the following systems are included : 1996 ford explorer car stereo radio wiring diagram car radio constant 12v+ wire: Ford trucks spare parts catalogs, workshop & service manuals pdf, electrical wiring diagrams, fault codes free download. 2004 ford explorer stereo wiring diagram | free wiring diagram.

Diagrams for the following systems are included : Ford doesn't use the same color wiring in all applications but there are some common wire colors between model years as far as radios go. Wiring diagrams ford by year. Ranger radio battery constant 12v+ wire: Audio wiring color codes 1994 ford explorer xlt.

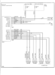
1999 Ford Explorer Radio Wiring Diagram 2001 Kia Rio Fuse Box Diagram For Wiring Diagram Schematics
1999 Ford Explorer Radio Wiring Diagram 2001 Kia Rio Fuse Box Diagram For Wiring Diagram Schematics from images-na.ssl-images-amazon.com
2004 ford explorer wiring harness diagram wiring diagram expert ford freestyle radio wiring wiring diagram article review. Service manual for 1993 ford explorer, 1993 1 day ago. Low prices on radio wiring harness for your ford explorer at advance auto parts. Ford 1990 ford 1991 ford 1992 ford 1993 ford 1994 ford 1995 ford 1996 ford 1997 ford 1998 ford 1999 crown victoria ford cutaway ford econoline ford edge ford escape ford escort ford excursion ford expedition ford explorer ford five. You can find a 2002 ford explorer radio wiring diagram at most ford dealerships. You'll find part two in the next page. Ranger radio battery constant 12v+ wire: Select the model diagram you need and view online.

Green/yellow ranger radio accessory switched 12v+ our ranger stereo wiring guide can also assist you if you've had your ford ranger radio stolen.

Radio wiring, engine wiring, ac wiring, abs wiring, transmission wiring, power windows wiring, sunroof wiring, computer datalines, cruise control wiring, instrument cluster fuse box location and diagrams: A set of wiring diagrams may be required by the electrical inspection authority to implement relationship of the habitat to the public electrical supply system. 1996 ford explorer car stereo radio wiring diagram car radio constant 12v+ wire: Select the model diagram you need and view online. Here's a simplified ignition system wiring diagram of the 1992, 1993, 1994 4.0l ford explorer and 4.0l ford ranger. You can find a 2002 ford explorer radio wiring diagram at most ford dealerships. Radio wires for 1996 explorer xlt 2 answers. If you prefer to shop in person for the right radio wiring harness products for your explorer, visit one of our local advance. Plymouth prowler wiring diagrams dodge avenger wiring diagrams 1995 ford explorer wiring diagrams bmw 1 series wiring diagrams 1995 buick riviera. You'll find part two in the next page. I need a stereo wiring diagram for a 2008 ford explorer sport trac please! 2004 ford explorer wiring diagrams ground 2004 ford explorer with regard to 1993 ford explorer radio wiring diagram, image here is a picture gallery about 1993 ford explorer radio wiring diagram complete with the description of the image, please find the image you need. The radio is a i need the wiring diagram for a 1996 ford explorer radio wiring harness speaker wiring color codes… read more.

Radio wiring, engine wiring, ac wiring, abs wiring, transmission wiring, power windows wiring, sunroof wiring, computer datalines, cruise control wiring, instrument cluster fuse box location and diagrams: Plymouth prowler wiring diagrams dodge avenger wiring diagrams 1995 ford explorer wiring diagrams bmw 1 series wiring diagrams 1995 buick riviera. 1116 x 792 gif 39 кб. A 1993 ford explorer has shock absorbers , front and rear. 1994 f150 radio wiring diagram 1994 ford f150 stereo wiring diagram 1994 ford f150 radio wiring diagram 94 ford f150 stereo wiring diagram 1994 ford f150 radio wiring harness diagram freebootstrapthemes.co.

Want To Wiring In A Stereo In My 93 Explorer However There S No Harnesses I Can Find That Are Right Does Someone Have
Want To Wiring In A Stereo In My 93 Explorer However There S No Harnesses I Can Find That Are Right Does Someone Have from www.justanswer.com
Select the model diagram you need and view online. Here's a simplified ignition system wiring diagram of the 1992, 1993, 1994 4.0l ford explorer and 4.0l ford ranger. Green/violet car radio switched 12v+ wire: Audio wiring color codes 1994 ford explorer xlt. You can find a 2002 ford explorer radio wiring diagram at most ford dealerships. A 1993 ford explorer has shock absorbers , front and rear. Ranger radio battery constant 12v+ wire: Shop online, find the best price on the right product, and have it shipped right to your door.

The big problem i am having is that the av constant power does not stay on.

Plymouth prowler wiring diagrams dodge avenger wiring diagrams 1995 ford explorer wiring diagrams bmw 1 series wiring diagrams 1995 buick riviera. Radio wiring, engine wiring, ac wiring, abs wiring, transmission wiring, power windows wiring, sunroof wiring, computer datalines, cruise control wiring, instrument cluster fuse box location and diagrams: Ranger radio battery constant 12v+ wire: Ford 1990 ford 1991 ford 1992 ford 1993 ford 1994 ford 1995 ford 1996 ford 1997 ford 1998 ford 1999 crown victoria ford cutaway ford econoline ford edge ford escape ford escort ford excursion ford expedition ford explorer ford five. 1994 f150 radio wiring diagram 1994 ford f150 stereo wiring diagram 1994 ford f150 radio wiring diagram 94 ford f150 stereo wiring diagram 1994 ford f150 radio wiring harness diagram freebootstrapthemes.co. 1996 ford explorer car stereo radio wiring diagram car radio constant 12v+ wire: The big problem i am having is that the av constant power does not stay on. Select the model diagram you need and view online. Radio wires for 1996 explorer xlt 2 answers. Here's a simplified ignition system wiring diagram of the 1992, 1993, 1994 4.0l ford explorer and 4.0l ford ranger. Find the ford radio wiring diagram you need to install your car stereo and save time. I need a stereo wiring diagram for a 2008 ford explorer sport trac please! Please find attached the wiring diagrams for the '99 to '02 expedition's premium sound system, with and without rear integrated control panel and the corresponding connector pin diagrams.

By